購物車
首頁
聯絡電話:04-25600685
聯絡信箱:
[email protected]
中文(繁體)
中文(繁體)
English
NT$
TWD
TWD
HK$
HKD
HKD
NT$
TWD
TWD
$
USD
USD
選單
關於我們
品牌故事
得獎紀錄
門市資訊
投保證明
最新消息
媒體報導
最新活動
最新產品
購物須知
商品一覽
夯豬肉
8
招牌肉鬆
0
犇牛肉
4
限定組合
2
鱻滋味
1
花漾丹露
3
花漾丹媞
1
訂購單下載
聯絡我們
LINE
facebook
會員專區
全部
全部
全部商品
夯豬肉
招牌肉鬆
犇牛肉
限定組合
鱻滋味
花漾丹露
花漾丹媞
購物車
0
您的購物車內沒有商品!
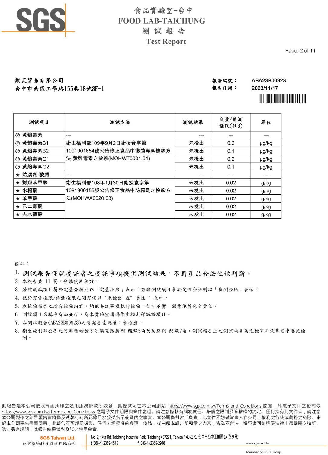
W180越南帶皮腰果-檢驗報告
W180越南帶皮腰果-檢驗報告